Fixed Monitor Technical Specification

Fixed Monitor Technical Specification

Fixed Monitor Technical Specification

Instrument Specification and Design

Fixed Monitor Technical Specification

  • THE SILOXANE MONITOR HAS THE FOLLOWING REQUIREMENTS:

    The Siloxane monitor has the following requirements:
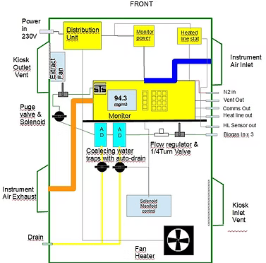
    • 230 V 6A or 110V 10A – (IEC rear connector) wired to flex outlet from Distribution box.
    • N2 carrier gas line: ¼” Nylon/PTFE/SS piping (1/4” Swagelok connector supplied) Set at 1Bar at cylinder regulator Technical Grade 99.999%.
    • Biogas feed line – ¼” PTFE/SS piping (1/4” Swagelok connector supplied) Maximum 1Bar input pressure.
    • Vent line – ¼” PTFE/SS piping (1/4” Swagelok connector supplied) Vented ~3m high, end of Line flame arrester to be fitted.

  • THE WATER TRAPS REQUIRE THE FOLLOWING:

    • 24V supplied from instrument via Ancillary Box for auto drain (WT)
    • Water Drain line – ¼” PTFE piping (Push fit connector)
    • Water Vented external to kiosk at ground level.
    • Biogas Gas connections – The water trap (WT) uses a 1/4” Swagelok connection. The Coalescing filter is a ¼” Swagelok & the Flame arrester is a ¼” Swagelok.

  • THE HEATED LINE REQUIRES THE FOLLOWING:

    • 230V 10A or 110V 16A – Directly wired from Thermostat control box.
    • Temperature set to 60degC.
    • Cut to length – Requires sealing at cut end.

  • CABINET HEATER

    • 250W , 6A or 400W 10A– via thermostat set at 20C
    • Provides frost protection and maintains gas above condensation point to prevent siloxanes being deposited in pipework

  • BIOGAS FLOW RATES

    The instrument samples approx. 2L of biogas during a 20minute window every 1hour, at a flow of approx. 100ml/min. This is passed through the instrument then vented to atmosphere.

  • N2 FLOW RATE

    The instrument consumes approx. 4L of N2 every hour. Resulting in 0.1m3 of N2 per day. This is passed through the instrument then vented to atmosphere.
    STS recommend using the largest N2 cylinder to avoid regular replacement.
    Air Products: X47S: 80kg 200bar 8.9m3. Technical Grade.
    Regulator : BOC 8500 or similar, 300Bar inlet , 0-4 bar outlet.
    This should last approx. 90days, 3 months.

  • KIOSK REQUIREMENTS

    A GRP kiosk is required as per the manual specification.

    The kiosk will require 8 external connections:
    • Biogas IN x 3
    • N2 IN
    • Vent OUT
    • Drain OUT
    • Heated Line OUT
    • Heated Line Sensor OUT

  • BIOGAS / ELECTRICAL SUPPLY

    Regulated in the kiosk to 35mbar, normal inlet pressure to the regulators should not exceed 350mbar. If a higher pressure is present, the regulator will require re-specification.

    A 230V or 110V earthed connection is required to the externally mounted switch. This is routed to a Distribution box in the kiosk where there are a 6A RCD to the instrument, and 2 10A RCDs directly wired to the heated line and cabinet heater. All earthed.

  • SAFETY

    • The instrument uses an air purge system to ensure safe operation, this is achieved with 2 high capacity fans mounted in the instrument which force a constant stream of air through the case. The instrument fans are connected to vent plates in the kiosk by flexible hoses. The flow of air through the instrument ensures that even in a catastrophic joint failure that the LEL of CH4 would not be exceeded. The purge fans are monitored so that if they are inactive the instrument will be placed into “Safe Mode”
    • The instrument has an on-board methane sensor which will place the instrument into “Safe Mode” if it exceeds 10% of the LEL. An on-board temperature sensor will place the instrument in “Safe Mode” if the temperature in the cabinet exceeds 50C.
    • Incoming bio-gas lines are controlled by Solenoid valves which are in the Normally Closed position unless activated, the instrument also has a solenoid valve on the incoming biogas line which is Normally Closed, any power failure will therefore close these valves stopping gas flow. “Safe mode” shuts the incoming gas valves, turns off all heaters and runs the case fans to vent.
    • The kiosk itself is cross ventilated from a further two ventilation grilles.

    The Siloxane Monitor & Kiosk is not EX or Atex rated and as such should be sited outside of any zoned area.

CONTROL CARBON FILTER
COSTS
ONLINE & ONSITE DATA
ACCESS
LOW MAINTENANCE
DESIGN
PRE-PACKAGED READY
FOR INSTALL
24/7 - 365
OPERATION
Get A Quote

REQUEST A QUOTE

This field is for validation purposes and should be left unchanged.
Sign up to Mailing List